产品简介:ANAPF系列有源电力滤波器通过电流互感器采集系统谐波电流,经控制器快速计算并提取各次谐波电流的含量,产生谐波电流指令,通过功率执行器件产生与谐波电流幅值相等方向相反的补偿电流,并注入电力系统中,从而抵消非线性负载所产生的谐波电流。
功能:
ANAPF系列有源电力滤波器通过电流互感器采集系统谐波电流,经控制器快速计算并提取各次谐波电流的含量,产生谐波电流指令,通过功率执行器件产生与谐波电流幅值相等方向相反的补偿电流,并注入电力系统中,从而抵消非线性负载所产生的谐波电流。
应用范围:
适用于并联在含谐波负载的低压配电系统中,能够对动态变化的谐波电流进行快速实时的跟踪和补偿。
订货范例:
具体型号:ANAPF150-380/BGL
技术要求:谐波补偿电流150A,线电压等级380V 。
接线方式:三相四线
安装方式:立柜式
互感器接线方式:负载侧
外形尺寸
抽屉式模块示意图
壁挂式模块示意图
整柜示意图
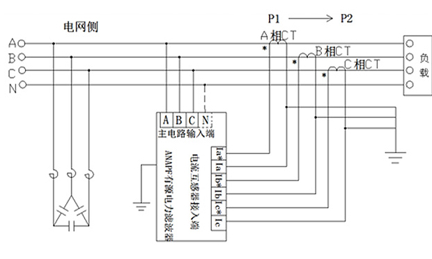
接线方式
电容柜在进线侧主电路接线
电容柜在末端主电路接线
安装示意
1. A、B、C、N主线,连接至接线端子(主线路输入端)
2. PE接地线,连接至接线端子或接地铜排
3. CT接线端子,连接至电流信号端子(电流互感器输入端)
现场安装图
案例一 ANAPF在数据机房的应用
治理前
治理后
案例二 ANAPF在商业中心的应用
治理前
治理后
立柜式ANAPF有源电力滤波器
壁挂式(抽屉式)ANAPF有源电力滤波器